高溫閘閥
簡介

高溫閘閥適用于建材、礦山、電力、玻璃、輕工等行業的鍋爐、窯爐、高爐的余熱二次利用及煙氣、廢氣治理的各種熱風管道,是節能和切換高溫氣體的理想設備。
結構特點
高溫閘閥采用不銹鋼和優質碳素鋼焊接。為雙層結構,內層襯有阻燃、耐溫材料,具有耐高溫、高效保能、結構完善、科學合理、啟閉靈活、操作方便等特點。
高溫閘閥驅動方式為分體式,驅動裝置不受任何形式的控制,可以隨客戶的需要安裝。驅動形式可以分為卷揚機提升(開關信號),電動執行機構提升(4~20mA電流信號),電液、電動推桿提升(開關信號)。
性能參數
|
工作壓力 |
適用溫度 |
適用介質 |
|
0.1MPa |
≤700℃ |
煙氣、空氣、粉塵氣體等高溫氣體 |
傳動裝置參數
|
規格 |
1000~1200 |
1300~1500 |
1600~1800 |
1600~1800 |
2100~2300 |
2400~2500 |
|
卷揚機 |
1T |
1T |
1.5T |
2T |
2.5T |
2.5T |
|
電動執行器 |
HQ1000-0.5 |
HQ1000-0.5 |
HQ1500-0.5 |
HQ2000-0.5 |
HQ2500-0.5 |
HQ2500-0.5 |
|
電液推桿 |
DYT1000 |
DYT1000 |
DYT1500 |
DYT2000 |
DYT2500 |
DYT2500 |
|
電動推桿 |
DTⅡA1000 |
DTⅡA1500 |
DTⅡA2000 |
DTⅡA3000 |
DTⅡA3000 |
DTⅡA4000 |
型號說明
.png)
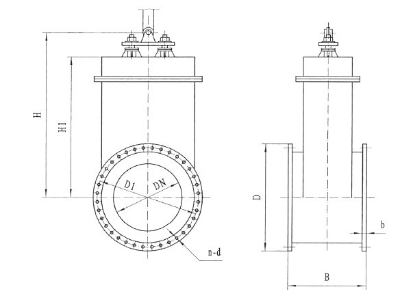
GBZY-700外形圖

GBZY-700外形連接尺寸
|
DN |
D |
D1 |
B |
n-d |
h |
H1 |
|
1000 |
1430 |
1370 |
700 |
32-Φ22 |
2160 |
1860 |
|
1100 |
1530 |
1470 |
700 |
36-Φ22 |
2320 |
2020 |
|
1200 |
1630 |
1570 |
700 |
36-Φ22 |
2470 |
2170 |
|
1300 |
1730 |
1670 |
700 |
40-Φ22 |
2620 |
2320 |
|
1400 |
1830 |
1770 |
700 |
40-Φ22 |
2770 |
2470 |
|
1500 |
1930 |
1870 |
700 |
44-Φ22 |
2920 |
2620 |
|
1600 |
2030 |
1970 |
750 |
44-Φ22 |
3180 |
2820 |
|
1700 |
2130 |
2070 |
750 |
48-Φ22 |
3330 |
2970 |
|
1800 |
2230 |
2170 |
750 |
48-Φ22 |
3480 |
3120 |
|
1900 |
2330 |
2270 |
750 |
48-Φ22 |
3630 |
3270 |
|
2000 |
2430 |
2370 |
750 |
48-Φ22 |
3780 |
3420 |
|
2100 |
2530 |
2470 |
800 |
48-Φ22 |
4070 |
3650 |
|
2200 |
2630 |
2570 |
800 |
52-Φ22 |
4220 |
3800 |
|
2300 |
2750 |
2685 |
800 |
52-Φ26 |
4370 |
3950 |
|
2400 |
2850 |
2785 |
800 |
52-Φ26 |
4520 |
4100 |
|
2500 |
2950 |
2885 |
800 |
60-Φ26 |
4670 |
4250 |


